跳至主要內容
Home
Products
Metalworking CNC Machine Tool
Woodworking Machinery
Forming Machines
Tooling & Accessories
Partners
Technology
Service
Home
Products
Metalworking CNC Machine Tool
Woodworking Machinery
Forming Machines
Tooling & Accessories
Partners
Technology
Service
Contact us
Home
/
Products
/
Tooling & Accessories
/
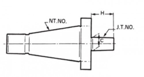
NT / JTA drill chuck holder
NT / JTA drill chuck holder
Tooling & Accessories
All
Body & Detail
Product info